Dnes je štvrtok 30. apríla 2026, meniny má Anastázia a zajtra nikto
|
Stránka 1 z 1
|
[ Príspevkov: 9 ] |
|
ZJ vymena centralneho zamykania s DO
| Autor |
Správa |
|
dado
Legenda Offroadu
Registrovaný: Štv, 05.10.2006, 10:45 Príspevky: 3010 Bydlisko: Rimavská Sobota
|
Uz ma prestalo bavit originalne CZ s DO, ktore fungovalo len ked som mieril tesne spoza skla. Zadovazil som si toto : http://www.autoalarmy.sk/katalog/autodo ... -4-do.htmlPlanujem vsak pouzit len ovladaciu jednotku (OJ) a DO. Ovladacia jednotka komunikuje s originalnymi servomotorcekmi aj len po pripojeni zeleneho a modreho kabla novej OJ na originalny srvomotorcek . Ovladanie tlacidlami vo dverach vsak chcem zachovat, co podstatne komplikuje situaciu. Po studiu el schem. som dospel k zaveru ze novou OJ sa musim pripojit na jedno tlacitko vo dverach, na kontakty UNLOCK a LOCK. Chcem vsak skusit OJ zabudovat do stropu a tam sa pripojit na kabelaz originalnej OJ. Co vy na to ? Pozrite shcemy.
|
| Ned, 07.04.2013, 19:26 |
|
 |
|
Andrej
OFFROAD Expert
Registrovaný: Štv, 05.10.2006, 8:47 Príspevky: 4603 Bydlisko: Hlavná dedina
|
Dado ide to ja som to mal tak na mojom bývalom bielom. A to som mal ešte fabrické imor. Elektriku to Ti musí kuknúť Palo ja som z toho guľatý A.
_________________WJ 2004 4,0l Laredo, 242 štandartne vo výbave - cestná leštenka 2" lift, Bilsteiny Toyota Auris Tourist Sports 1,6Valvematic, multidrive S EX Honda Civic 1,5 VVTI EX JGCH 4l - trochu off EX JGCH 5,2l - cestná leštenka email: andrej.durda@gmail.com
|
| Pon, 08.04.2013, 10:31 |
|
 |
|
palo-cherokee
koumák
Registrovaný: Pia, 06.10.2006, 9:35 Príspevky: 4321 Bydlisko: ZA
|
Citácia: Zadovazil som si toto : http://www.autoalarmy.sk/katalog/autodo ... -4-do.html Planujem vsak pouzit len ovladaciu jednotku (OJ) a DO. Ovladacia jednotka komunikuje s originalnymi servomotorcekmi aj len po pripojeni zeleneho a modreho kabla novej OJ na originalny srvomotorcek . Ovladanie tlacidlami vo dverach vsak chcem zachovat, co podstatne komplikuje situaciu. Po studiu el schem. som dospel k zaveru ze novou OJ sa musim pripojit na jedno tlacitko vo dverach, na kontakty UNLOCK a LOCK. dado do dveri je to zbytocne - pripoj sa priamo na konektor povodneho prijmaca infra dialkyv stresnej konzole. Su tam vsetky droty co potrebujes. Ak mas fabricke immo tak treba doplnit jedno relatko. Vyber toho modulu tiez nie je uplne stastny, potrebujes nieco, kde vies nastavovat dlzku impulzu a jeho polaritu. Akoze da sa to aj s tym co mas, len sa to blbo robi lepsie je napriklad http://www.tssgroup.sk/katalog/dialkove-ovladanie-keetec-cz-100-maxZapojit to je robota asi na 15 minut
|
| Pon, 08.04.2013, 10:41 |
|
 |
|
dado
Legenda Offroadu
Registrovaný: Štv, 05.10.2006, 10:45 Príspevky: 3010 Bydlisko: Rimavská Sobota
|
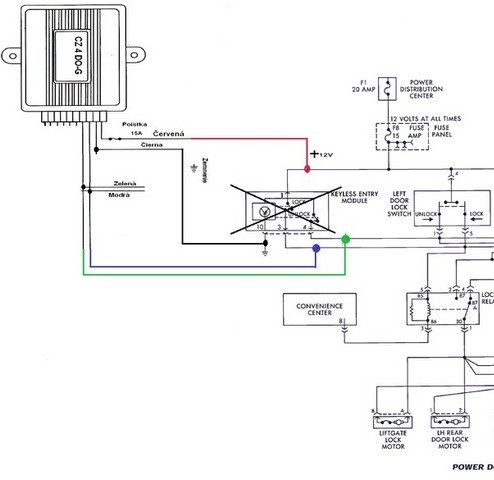
Presne tam sa chcem napojit. Tu dlzku impulzu si asi dokaze ta nova jednotka nacitat a upravit sama. Pri skusobnom napojeni, ako keby nieco zapinala a povodne motorceky zacali behat az po 7 - mom stisknuti noveho DO: Je tam 9 kablov : 1 x kostra 1 x + napajanie 1 x ovladanie Unlock rele - mal by mat PIN č. 4 a mal by byt ruzovy 1 x ovladanie Lock rele - tento neviem mal by to byt PIN č. 3 - žlty + by mal ist z neho cervena/biela do dverneho spinaca. Ja imobilizer ani alarm nemam.
Naposledy upravil dado dňa Pon, 08.04.2013, 12:36, celkovo upravené 1
|
| Pon, 08.04.2013, 11:08 |
|
 |
|
dado
Legenda Offroadu
Registrovaný: Štv, 05.10.2006, 10:45 Príspevky: 3010 Bydlisko: Rimavská Sobota
|
PIN 10 a 12 ba mali byt - pol, otazka je ktory je trvaly ( pravdepodobne 10 je nim napajane aj relatko). PIN 4 by malo byt ovladanie relatka odomykania. PIN 3 by malo byt ovladanie relatka zamykania, ale aj zaroven napajanie trvaly + pol. Co sa mi zda blbost  V reali je to : PIN c 1 cerveny/biely PIN c 2 oranžový/ružový PIN c 3 oranžový/fialovy PIN c 4 ruzový/fialový PIN c 5 modry/oranzovy PIN c 6 - nič PIN c 7 fialovy/zlty PIN c 8 zlty/zeleny PIN c 9 - nic PIN c 10 cierny ( doplnene, nejak som zabudol na c 10) PIN c 11 - nic PIN c 12 zlty Cize to sedi presne.
Naposledy upravil dado dňa Pon, 08.04.2013, 20:51, celkovo upravené 1
|
| Pon, 08.04.2013, 12:20 |
|
 |
|
palo-cherokee
koumák
Registrovaný: Pia, 06.10.2006, 9:35 Príspevky: 4321 Bydlisko: ZA
|
dado nie je to blbost len si trochu nepochopil sposob zapojenia  tie relatka zaroven preklapaju polarit napajania motorov a tym menia smer pohybu zapojenie mas v PM 
|
| Pon, 08.04.2013, 13:52 |
|
 |
|
dado
Legenda Offroadu
Registrovaný: Štv, 05.10.2006, 10:45 Príspevky: 3010 Bydlisko: Rimavská Sobota
|
Aha, dakujem. Pockam radsej na tu schemu v PM, aby som daco neodpalil.
|
| Pon, 08.04.2013, 14:14 |
|
 |
|
dado
Legenda Offroadu
Registrovaný: Štv, 05.10.2006, 10:45 Príspevky: 3010 Bydlisko: Rimavská Sobota
|
Tak neviem kde je chyba. Vsetko pekne zacalo fachcit aj DO aj dverove spinace ( ale len spolujazdcov) aj pocas zapnuteho zapalovania. Tak som to ocvakal, odutinkoval, zapojil a..... hovno, hovno.... zacalo vyhadzovat poistku, a dverove spinace uz nejdu vobec. Tak som odpojil - kostru ( cierny) aby som aspon ako tak mohol fungovat. Vtedy poistku nevyhodi.
|
| Pon, 08.04.2013, 20:49 |
|
 |
|
dado
Legenda Offroadu
Registrovaný: Štv, 05.10.2006, 10:45 Príspevky: 3010 Bydlisko: Rimavská Sobota
|
Neviem kde bude chyba ale asi po mesiaci aj novy system DO otvara auto len z bezprostrednej blizkosti prednych dvier. 
|
| Str, 29.05.2013, 9:12 |
|
 |
|
|
Stránka 1 z 1
|
[ Príspevkov: 9 ] |
|
Kto je on-line |
Užívatelia prehliadajúci toto fórum: Žiadny registrovaný užívateľ nie je prítomný |
|
Nemôžete zakladať nové témy v tomto fóre Nemôžete odpovedať na témy v tomto fóre Nemôžete upravovať svoje príspevky v tomto fóre Nemôžete mazať svoje príspevky v tomto fóre Nemôžete zasielať súbory v tomto fóre
|
|